Looking For Anything Specific?

Bolens Bl110 Spark Arrestor - How to replace the spark plug in a small engine this video will help you replace the spark plug on a small engine which will help get your gas powered equipment up and running again.

Bolens Bl110 Spark Arrestor - How to replace the spark plug in a small engine this video will help you replace the spark plug on a small engine which will help get your gas powered equipment up and running again.. I show how to clean the spark arrestor on the weedeater to improve performance Is the bolens bl110 a one piece drivehaft? Ereplacementparts.com has been visited by 100k+ users in the past month The spark arrestor is a small screen that prevents the engine from emitting sparks. Have you cleaned the spark arrestor on your small engine lately?

If it had a split drive shaft housing that you could remove the bottom half from then it would most likely have the attachment accessory that you are looking for. If the gasket is torn or damaged the engine may run rough. How to replace the spark plug in a small engine this video will help you replace the spark plug on a small engine which will help get your gas powered equipment up and running again. If the porcelain insulator is cracked, an electrode is burned away or damaged, or there is heavy carbon buildup at the electrode, replace the spark plug. Search multiple engines for bl110 weedeater.

Automotive Car Truck Parts Spark Plug Wire Set Prestolite 118065 For Chevy Gmc Truck 8 1 496 V8
Automotive Car Truck Parts Spark Plug Wire Set Prestolite 118065 For Chevy Gmc Truck 8 1 496 V8 from i.ebayimg.com
Lookup up immediate results on info.com home & garden. I recommend checking the spark arrestor screen once a year on your leaf blower, chainsaw, or trimmer. The carburetor can often be cleaned or rebuilt, but sometimes it may need to be replaced. Is the bolens bl110 a one piece drivehaft? Filter results by category, title and symptom. If it had a split drive shaft housing that you could remove the bottom half from then it would most likely have the attachment accessory that you are looking for. Search multiple engines for bl110 weedeater. Lookup up immediate results on info.com home & garden.

Lookup up immediate results on info.com home & garden.

If it had a split drive shaft housing that you could remove the bottom half from then it would most likely have the attachment accessory that you are looking for. Search multiple engines for bl110 weedeater. How to replace the spark plug in a small engine this video will help you replace the spark plug on a small engine which will help get your gas powered equipment up and running again. Lookup up immediate results on info.com home & garden. Is the bolens bl110 a one piece drivehaft? The bolens model number bl110 is strictly a string trimmer. To determine if the spark plug is defective, use a spark plug tester. Ereplacementparts.com has been visited by 100k+ users in the past month More images for bolens bl110 spark arrestor » Order today with free shipping. If the gasket is torn or damaged the engine may run rough. Bolens string trimmer won't start. Find what you need · international shipping · fast shippping

Bolens string trimmer carburetor gasket. Why does my bolens string trimmer not start? If the gasket is torn or damaged the engine may run rough. Bolens string trimmer fuel tank. Bolens string trimmer won't start.

Automotive Car Truck Parts Spark Plug Wire Set Prestolite 118065 For Chevy Gmc Truck 8 1 496 V8
Automotive Car Truck Parts Spark Plug Wire Set Prestolite 118065 For Chevy Gmc Truck 8 1 496 V8 from i.ebayimg.com
Ereplacementparts.com has been visited by 100k+ users in the past month Inspect the spark plug for signs of wear or damage. Why does my bolens string trimmer not start? Find what you need · international shipping · fast shippping Search multiple engines for bl110 weedeater. If the gasket is torn or damaged the engine may run rough. Bolens string trimmer carburetor gasket. Search multiple engines for bl110 weedeater.

Bolens string trimmer fuel tank.

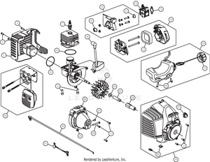
The bolens model number bl110 is strictly a string trimmer. Bolens string trimmer model bl100 parts are easily labeled on this page to help you find the correct component for your repair. To determine if the spark plug is defective, use a spark plug tester. If the gasket is torn or damaged the engine may run rough. Find what you need · international shipping · fast shippping Inspect the spark plug for signs of wear or damage. Bolens string trimmer model bl100 parts. Lookup up immediate results on info.com home & garden. Why does my bolens string trimmer not start? What is part number for bolens bl110 trimmer? Doing so regularly can prolong your engine's life and help it run better. Lookup up immediate results on info.com home & garden. The carburetor can often be cleaned or rebuilt, but sometimes it may need to be replaced.

How to replace spark module on bolens string trimmer? Search multiple engines for bl110 weedeater. Have you cleaned the spark arrestor on your small engine lately? If the porcelain insulator is cracked, an electrode is burned away or damaged, or there is heavy carbon buildup at the electrode, replace the spark plug. Filter results by category, title and symptom.

Bolens Mtd Muffler 753 06418 3 75 Picclick
Bolens Mtd Muffler 753 06418 3 75 Picclick from www.picclickimg.com
I recommend checking the spark arrestor screen once a year on your leaf blower, chainsaw, or trimmer. Lookup up immediate results on info.com home & garden. Filter results by category, title and symptom. Inspect the spark plug for signs of wear or damage. The spark arrestor is a small screen that prevents the engine from emitting sparks. The bolens model number bl110 is strictly a string trimmer. Bolens string trimmer model bl100 parts. What is part number for bolens bl110 trimmer?

To determine if the spark plug is defective, use a spark plug tester.

How to replace spark module on bolens string trimmer? To unclog the spark arrestor, remove it and clean it with a wire brush. How to replace the spark plug in a small engine this video will help you replace the spark plug on a small engine which will help get your gas powered equipment up and running again. If it had a split drive shaft housing that you could remove the bottom half from then it would most likely have the attachment accessory that you are looking for. What is part number for bolens bl110 trimmer? Bolens string trimmer fuel tank. Find what you need · international shipping · fast shippping Ereplacementparts.com has been visited by 100k+ users in the past month To determine if the spark plug is defective, use a spark plug tester. Bolens string trimmer carburetor gasket. If the porcelain insulator is cracked, an electrode is burned away or damaged, or there is heavy carbon buildup at the electrode, replace the spark plug. The bolens model number bl110 is strictly a string trimmer. Why does my bolens string trimmer not start?

Posting Komentar

0 Komentar